产品中心
Products
产品中心
Products
产品概述:
角式过滤器是一种高效的流体净化设备,主要用于分离液体或气体中的杂质、颗粒及悬浮物,在净化介质的同时,有效保护下游设备稳定运行。它采用独特的角式结构设计,利用滤网、滤芯等过滤元件的精准孔径,将杂质截留,让洁净流体顺利通过,实现高效分离、深度净化与资源回收的多重目标。
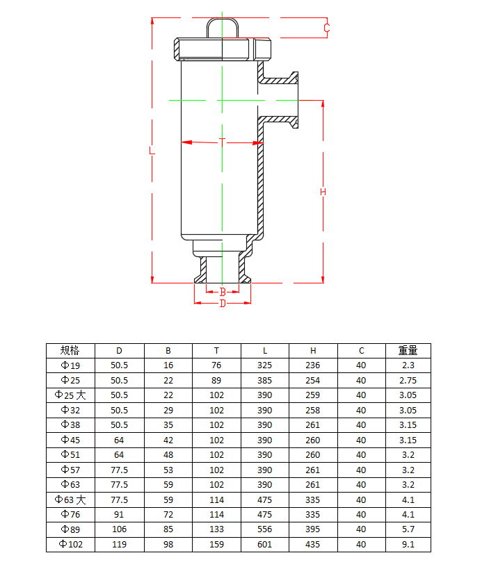
产品规格:φ19~φ159
产品材质:SS304/316L
制造标准:ISO/DIN/IDF/SMS/3A 等
应用范围:广泛适用于食品、制药、乳品、啤酒、饮料、精细化工等对流体纯净度要求严格的领域。
