产品中心

Products

双卡清洗球
双卡清洗球
双卡清洗球
双卡清洗球
双卡清洗球
双卡清洗球
双卡清洗球
双卡清洗球

双卡清洗球

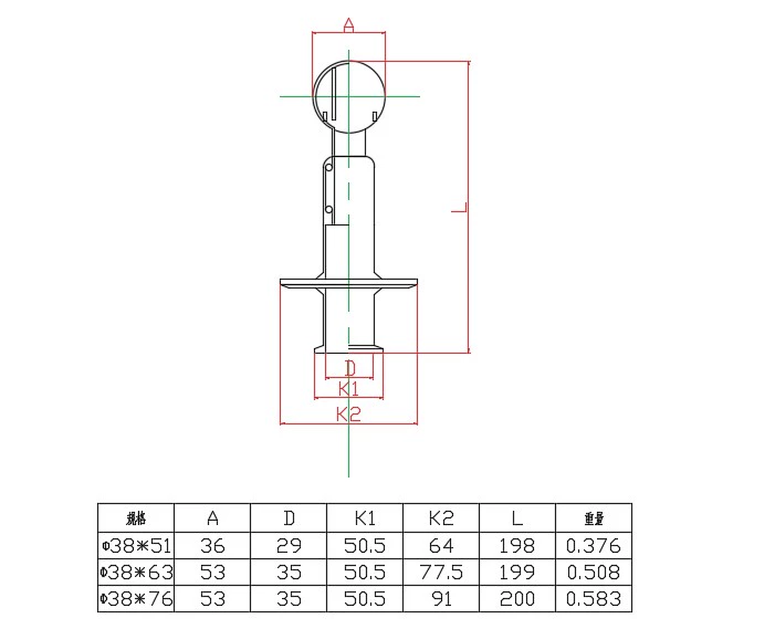
概述:

双卡清洗球,不锈钢材质,双卡箍连接稳固密封。可 360° 旋转喷淋,全方位清洁容器,适用于食品、制药等行业,高压环境下不易松动,拆装便捷。


产品规格:Φ38*51-Φ38*76

产品材质:SS304/316L

连接方式:卡箍/焊接/螺纹

制造标准:ISO/DIN/IDF/SMS/3A等


应用范围:产品广泛应用于食品、制药、乳品、啤酒、饮料和精细化工等领域。

产品详情

O1CN01nWzXjg22fNJwBb8Oi_!!376847147.png

相似产品
首页
产品
联系